串、并联电路的电流、电压特点
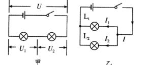
例 如图所示的串联和并联电路,两个灯泡阻值不等,开关S闭合,关于电路中的电流或电压关系,下列说法正确的是()A.甲电路中,U=U1=U2 B.甲电路中,U>U1=U2C.乙电路中,I=I1+I2 D.乙电路中,I>I1=I2【技法点拨】解决此类问题关键:一要正确判断电路的连接方式,在此过程中如果遇到电压表可以将其断开,遇到电流表可以用导线代替;二是能熟练掌握串、并联电路电压、电流相关公式.

版权声明
声明:有的资源均来自网络转载,版权归原作者所有,如有侵犯到您的权益
请联系本站我们将配合处理!
上一篇 : 2022你初中物理:电路故障
下一篇 :2022年初中物理:热机
