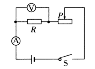
中考物理知识点:伏安法测电阻
1.测量定值电阻的阻值
(1)原理:R=U/I
(2)方法:伏安法;
(3)测量器材:电流表、电压表;
(4)电路图

(5)数据处理:多次测.取平均值,目的是减小误差.
2.测量小灯泡的电阻
(1)原理:R=U/I;
(2)方法:伏安法;
(3)测量器材:电流表、电压表;
(4)电路图

(5)小灯泡的电阻随温度发生变化
版权声明
声明:有的资源均来自网络转载,版权归原作者所有,如有侵犯到您的权益
请联系本站我们将配合处理!
上一篇 : 2022年中考物理知识点:特殊法测电阻
