电路问题是初中物理比较难的知识,也是中考中很重要的一部分。很多同学遇到电路类的题目,首先不会分析电路图,找不到电流的走向,分析不清电路中各元件之间的连接方式等,好多问题凑到一起只有一个结论----不会做!没关系,看懂这四招,解决电路障碍!
1、电路图的简化
电学综合题是每年中考的必考题,但是电路图复杂多变,部分同学可能会觉得难以入手,这个时候就需要用到简化电路的技巧。
常用的简化电路的方法有:
1. 从整体角度分析电路。从电源正极(或负极)出发,先看电路的干路部分,再看支路部分(如果有支路)。
2. 判断电路中电表测量的对象。判断电压表测量的是哪个电阻(或哪个用电器)的电压,将电压表并联在该电阻(或用电器)的两端;判断电流表测量的是干路还是支路的电流,画上串联的电流表。
3. 判断滑动变阻器(如果存在)的最大值、最小值分别在哪一端,以及接入电路中的方式。
4. 电流表本身阻值非常小,等同于导线电阻,电压表本身阻值非常大,等同于断路,因此:电流表=导线,电压表=断路,把电流表用导线代替,把电压表及其接入电路的导线去掉。
【真题演练】
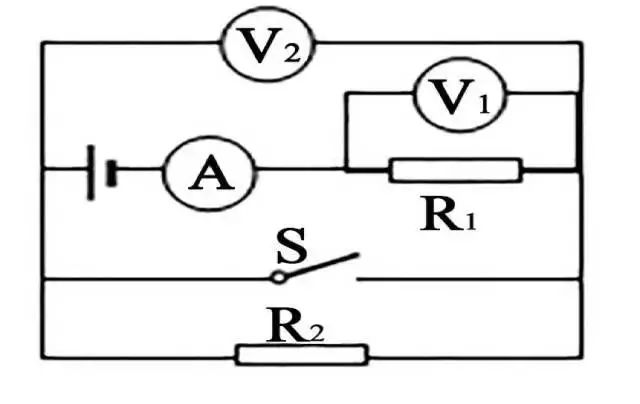
如图所示的电路中,电源两端电压不变,闭合开关S,则( )。
A. 电流表A的示数将减小
B. 电压表V1的示数将不变
C. 电压表V2的示数将增大
D. 电压表V1的示数与电流表A的示数的乘积将变大

正确答案: D
对电路如进行如下简化:

本题考查电路的动态分析。
A选项,闭合开关S,R2被短路,电路总电阻变小,电源电压不变,根据I=U/R可知,电路中的电流将变大,所以电流表A的示数将增大,故A错误。
B选项,电压表V1测的是R1两端的电压,电路电流增大,R1阻值不变,根据U=IR可知,电压表V1的示数将变大,故B错误。
C选项,开关S断开时,电压表V2测的是R2两端的电压,示数大于零,开关S闭合后,电压表V2测的是导线两端电压,电压表示数变为零,所以电压表V2示数减小,故C错误。
D选项,由A、B选项可知,开关S闭合时,电压表V1示数变大,电流表A的示数将增大,所以电压表的示数V1与电流表A的示数的乘积将变大,故D正确。
故本题答案为D。
2、串、并联电路的识别方法
正确识别串、并联电路是初中物理的重要知识点之一,会识别电路是学习电路连接和电路计算的基础,对于电路的识别要紧紧抓住串联电路和并联电路的基本特征,而不应单单从形状上去分析。
下面提供几种识别串并联电路的技巧:
1. 观察连接方法,串联电路"逐个顺次,一一连接",并联电路"首首相接,尾尾相接"。
2. 让电流从电源正极出发经过各用电器回到电源负极,观察途中是否分流。
3. 逐个拆除电路中的用电器,根据其他用电器有无电流通过来识别。
【真题演练】
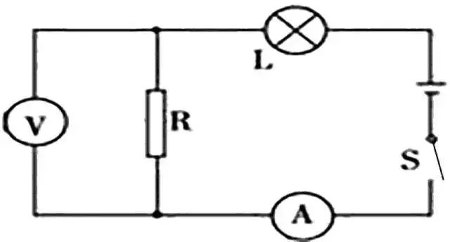
在如图所示的电路中,当开关S闭合后( )。
A. 若A表是电流表,B表是电压表,则电阻R1、R2并联
B. 若A表是电流表,B表是电压表,则电阻R1、R2串联
C. 若A表是电压表,B表是电流表,则电阻R1、R2并联
D. 若A表是电压表,B表是电流表,则电阻R1、R2串联

本题考查串联电路和并联电路的辨别。
A、B选项,若A表是电流表,B表是电压表,此时电路有两条支路,电阻R1、R2并联,电流表测流过R1的电流,电压表测的是该并联电路的电压,故A正确,B错误。
C、D选项,若A表是电压表,B表是电流表,电阻R1被短路,没有电流通过,电路为R2的简单电路,故C、D均错误。
故本题答案为A。
3、电路故障的判断方法
电路出现故障,一般有两种情况:(1)发生短路;(2)发生断路。在不同情况下,电压表和电流表的示数不同,故障也不同.
常见的电路故障和处理方法有:
1. 电灯故障时先分析电路连接方式:
(1)两灯串联时,如果只有一个灯不亮,则此灯一定是短路了;如果两灯都不亮,则电路一定是断路了。
(2)两灯并联,如果只有一灯不亮,则一定是这条支路断路;如果两灯都不亮,则可能是干路断路或者两条支路都断路。
※在串并联电路中,故障原因不能是全部用电器短路,因为如果全部用电器短路,电源会被烧坏。
2. 电表示数变化故障首先分析电流表、电压表的测量对象
(1)根据电表示数变化情况并结合串并联电路的特点分析电路故障原因。
(2)电压表串联接入电路中时,该部分电路断路,但电压表有示数,此时与电压表串联的用电器视为导线。
【真题演练】
如图所示电路中,电源电压保持不变,闭合开关S,电路正常工作。过了一会儿,灯L熄灭,有一个电表示数变小,另一个电表示数变大,则下列判断正确的是( )。
A. 电阻R断路 B. 电阻R短路 C. 灯L断路 D. 灯L短路

正确答案: A
本题考查电路故障分析和电路动态分析。
A选项,若电阻R断路,电路断路,此时电流表示数变小为0,电压表与电源并联,测量电源电压,电压表示数增大,故A正确。
B选项,若电阻R短路,电路中电流增大,电流表示数变大,电压表示数为0,但灯泡不熄灭,故B错误。
C选项,若灯L断路,电路断路,此时电流表示数变小为0,电压表示数也为0,都减小,故C错误。
D选项,若灯L短路,电路中电流增大,电流表示数变大,电阻R两端电压增大,故电压表示数变大,故D错误。
故本题答案为A。
4、判断电表示数变化的方法
当滑动变阻器的滑片移动、电路中开关闭合或断开,会导致电路中的电阻发生改变,从而引起一些物理量的变化,解决这种问题的技巧是:
1. 牢记电源电压不变,是解决问题的突破口;
2. 电流表内阻很小,通常情况下可不考虑;
3. 灯泡的电阻一般可认为不变,题干要求的需要额外注意;
4. 不论并联还是串联,其中有一个电阻的阻值增大,总电阻就增大,反之亦然。
【真题演练】
在如图所示电路中,闭合开关S后,在滑片P向右滑动过程中,各电表示数变化正确的是( )。
A. A1、A3示数不变,A2、V示数变小
B. A1、V示数不变,A2、A3示数变大
C. A1、A2、V示数不变,A3示数变小
D. A2、V示数不变,A1示数变小,A3示数变大

本题考查电路动态分析。
从图可知,电阻R1和R2并联,电流表A1测通过电阻R2的电流,电流表A2所在支路被短路,电流表A3测干路电流,电压表V测电源电压;当滑片P向右滑动时,滑动变阻器接入电路的电阻增大,电路总电阻增大,电源电压不变,根据I=U/R可知,电路总电流减小,即电流表A3示数变小,电阻R2所在支路不受影响,所以电流表A1示数不变,电压表V测量电源电压示数不变,电流表A2示数仍为0不变,故C正确。
故本题答案为C。
版权声明
声明:有的资源均来自网络转载,版权归原作者所有,如有侵犯到您的权益
请联系本站我们将配合处理!
