如何判断电压表、电流表的示数变化
(1)明确电路的连接方式和各元件的作用
(2)认清滑动变阻器的连入阻值
(3)弄清电路图中电表测量的物理量
(4)分析电路的总电阻怎样变化和总电流的变化情况
(5)最后综合得出电路中电表示数的变化情况
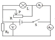
例:如图所示电路中,电源电压恒定,R0为定值电阻,R为滑动变阻器,闭合开关S后,在滑动变阻器滑片P左滑的过程中( )
A.电流表A1的示数变小 B.电流表A2的示数变大
C.电压表示数变小 D.电灯的亮度变暗

版权声明
声明:有的资源均来自网络转载,版权归原作者所有,如有侵犯到您的权益
请联系本站我们将配合处理!
上一篇 : 2023年初中物理利用欧姆定律进行计算步骤
下一篇 :2023年初中物理欧姆定律主要公式
