中考物理知识点:凸透镜的成像规律
一器材:凸透镜 光具座 蜡烛 光屏 刻度尺 火柴。
二步骤:⑴记录凸透镜的焦距f。
⑵把蜡烛、凸透镜、光屏依次放在光具座上。
⑶点燃蜡烛,调节三者高度,使烛焰、凸透镜、光屏的中心在同一高度(目的是使像成在光屏的中心)。把蜡烛放在距离凸透镜大于2f的位置。移动光屏直到光屏上呈清晰的像,记录像的位置和像的性质,填入表格。
⑷改变物距(表格),多做几次。
综上所述:凸透镜的成像规律与物距和焦距的关系决定的。
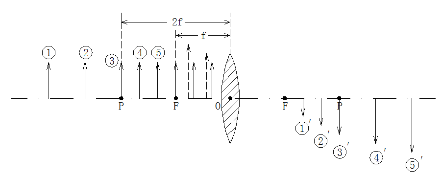
①两个分界点:一倍焦距分虚实,二倍焦距分大小。
②成实像时:物近,像远,像变大。
③成实像时:u>v成的是缩小的像,u=v成等大的像,u
④无论怎样移动光屏,光屏上却得不到像的原因可能有:蜡烛放在焦点上。蜡烛在焦点以内,蜡烛、凸透镜的中心没在同一高度。光具座太短或f太大。
⑤实验若把透镜上部挡住,仍能成完整的像,只是暗一些。
⑥随着蜡烛的燃烧,光屏上的像会向上移动。若使像仍成在光屏中央,应向上移动光屏或像上移动蜡烛。
⑦当u>2f时,u减小时,物像之间的距离也减小。
当2f>u>f时,u减小时,物像之间的距离变大。


版权声明
声明:有的资源均来自网络转载,版权归原作者所有,如有侵犯到您的权益
请联系本站我们将配合处理!
上一篇 : 2023年初中物理知识点:透镜的鉴别
