智慧树知到《电路分析基础》见面课答案
见面课:功率因数及其提高
1、问题:电路如图

所示,已知U=120V,I=10A,负载为电感性,功率因数

,若电源电压不变,频率为50Hz,而在负载两端并联一个电容C,使功率因数提高到0.8,则电容C的值是( )。
选项:
A:29.5μF 2A
B:92.5μF
C:129.5μF
D:192.5μF
答案: 【92.5μF 】
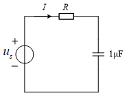
2、问题:如图所示

正弦稳态电路中,已知

,电路消耗的平均功率P=10W,则电路的功率因数为( )。
选项:
A:0.707(电容性)
B:0.707(电感性)
C:0.5(电容性)
D:0.6(电容性)
答案: 【0.707(电容性)】
3、问题:一台发电机的额定容量

,额定电压

,f=50Hz,给一感性负载供电,该负载的功率因数为0.7。在负载不变的情况下,将一组电容器与负载并联,使供电系统的功率因数提高到0.9,那么,所需并联电容的容量为( )。
选项:
A:100μF
B:200μF
C:123.5μF
D:247μF
答案: 【247μF】
4、问题:一台发电机的额定容量

,额定电压
2345678
1、问题:电路如图

所示,已知U=120V,I=10A,负载为电感性,功率因数

,若电源电压不变,频率为50Hz,而在负载两端并联一个电容C,使功率因数提高到0.8,则电容C的值是( )。
选项:
A:29.5μF 2A
B:92.5μF
C:129.5μF
D:192.5μF
答案: 【92.5μF 】
2、问题:如图所示

正弦稳态电路中,已知

,电路消耗的平均功率P=10W,则电路的功率因数为( )。
选项:
A:0.707(电容性)
B:0.707(电感性)
C:0.5(电容性)
D:0.6(电容性)
答案: 【0.707(电容性)】
3、问题:一台发电机的额定容量

,额定电压

,f=50Hz,给一感性负载供电,该负载的功率因数为0.7。在负载不变的情况下,将一组电容器与负载并联,使供电系统的功率因数提高到0.9,那么,所需并联电容的容量为( )。
选项:
A:100μF
B:200μF
C:123.5μF
D:247μF
答案: 【247μF】
4、问题:一台发电机的额定容量

,额定电压
2345678
版权声明
声明:有的资源均来自网络转载,版权归原作者所有,如有侵犯到您的权益
请联系本站我们将配合处理!
上一篇 : 智慧树知到《简明物理化学》见面课答案
下一篇 :笑靥如花形容人笑起来很美,其中靥是指?
