如图所示电路中,电源电压不变,R1为定值电阻,R2为滑动变阻器(a、b为其两端点),当滑片P在某一端点时,电流表示数为0.1A,R2消耗的功率为1W;当滑片P移动值某一位置时,电流表示数为
问题描述:
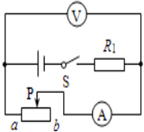
如图所示电路中,电源电压不变,R1为定值电阻,R2为滑动变阻器(a、b为其两端点),当滑片P在某一端点时,电流表示数为0.1A,R2消耗的功率为1W;当滑片P移动值某一位置时,电流表示数为0.3A,R2消耗的功率为1.8W.则当滑片P从a到b的过程中( )
A. 电流表示数变化了0.6A
B. 电压表示数变化了10V
C. R1阻值为100Ω
D. 电路消耗的总功率变化了7.2W
最佳答案: 由图,R1与滑动变阻器R2串联,电压表测R2两端的电压.
根据I=
| U |
| R |
根据P=UI得:滑动变阻器R2的电压:U2=
| P |
| I |
| 1W |
| 0.1A |
滑动变阻器R2的最大值:R2=
| U2 |
| I |
| 10V |
| 0.1A |
根据串联电路的电压特点可知:U=U1+U2,
即:U=0.1A×R1+10V…①
当滑片P移动至某一位置时,电流表示数为0.3A,
R2的电压:U2'=
| P' |
| I' |
| 1.8W |
| 0.3A |
由U=U1'+U2'可得:
U=0.3A×R1+6V…②
联立①②解得:R1=20Ω,U=12V,故C错误;
当P在a端时,R2连入阻值为0,所以电压表示数UV=0,
电流表示数:IA=
| U |
| R1 |
| 12V |
| 20Ω |
由前面的计算可知:
当P在b端时,IA'=0.1A,
电压表示数UV'=10V,
由此电流表变化为:△I=IA-IA'=0.6A-0.1A=0.5A,故A错误;
电压表变化为:△U=VV'-UV=10V-0=10V,故B正确;
电路消耗的总功率变化:△P=U△I=12V×0.5A=6W,故D错误.
故选B.
版权声明
声明:有的资源均来自网络转载,版权归原作者所有,如有侵犯到您的权益
请联系本站我们将配合处理!
