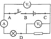
在图所示的电路中添加一根完好的导线,连接A、B、C、D四点中的两点:①为避免实验中电源短路,导线不能连接两点。②在避免电源短路的情况下,若导线连接的是两点,
问题描述:
| 在图所示的电路中添加一根完好的导线,连接A、B、C、D四点中的两点: ①为避免实验中电源短路,导线不能连接 ????????? 两点。 ②在避免电源短路的情况下,若导线连接的是 ?????? 两点,则闭合电键S前后,电路中一个电表的示数始终为零。 |
最佳答案: | BC、AD;AD、BD、CD。 |
| 分析:BC两点在电源的两端,若连接这两点,则电源会短路,连接AC时,当开关闭合后也会造成电源短路,故导线不能连接BC、AC两点间; 若连接AD两点,它把电流表和灯泡短路了,则在电键闭合前后,电路中电流表的示数始终为零;若连接BD两点,开关闭合与断开时电流表的示数也始终为零;若连接在DC两点,则闭合开关S前后,电压表V2的示数始终为零;故满足题意要求的连接有三种AD、BD、CD。 |
版权声明
声明:有的资源均来自网络转载,版权归原作者所有,如有侵犯到您的权益
请联系本站我们将配合处理!
