在图所示的电路中,添加一根完好的导线,连接A、B、C、D四点中的两点:为了避免开关闭合时电源短路,导线不能连接两点;若导线连接CD两点,则闭合开关S前后,电路中的(填“
问题描述:
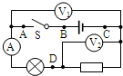
在图所示的电路中,添加一根完好的导线,连接A、B、C、D四点中的两点:为了避免开关闭合时电源短路,导线不能连接______两点;若导线连接CD两点,则闭合开关S前后,电路中的______(填“电流表”、“电压表1”或“电压表2”)示数始终为零.
最佳答案: (1)电源短路是指用导线将电源两极直接连接起来的电路,因此,根据电路图可知,为避免实验中电源短路,导线不能连接AC或BC两点.
(2)根据电路图可知,灯泡和电阻串联,V1测电源电压,V2测定值电阻的电压;若导线连接的是CD两点,则定值电阻和电压表V2被短路,因此闭合电键S前后,电压表V2的示数始终为零.
故答案为:AC或BC;电压表2.
版权声明
声明:有的资源均来自网络转载,版权归原作者所有,如有侵犯到您的权益
请联系本站我们将配合处理!
