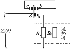
某型号电压力锅的额定电压为220V,如图是其工作原理简图.发热板由主加热器R1和保压加热器R2组成,R1的额定功率为800W,R2的阻值为242Ω.接通电路,开关S自动与触点a、b闭合,
问题描述:
| 某型号电压力锅的额定电压为220V,如图是其工作原理简图.发热板由主加热器R 1 和保压加热器R 2 组成,R 1 的额定功率为800W,R 2 的阻值为242Ω.接通电路,开关S自动与触点a、b闭合,开始加热,当锅内水温达到105℃时,S自动与a、b断开,并与触点c接通,开始保压,此时锅内水温不变,且未沸腾.求: (1)电压力锅正常工作并且处于加热状态时,发热板加热的总电功率有多大? (2)用该压力锅对4kg、20℃的水加热,正常工作20min后,求水温升高到多少摄氏度?已知消耗的电能有84%被水吸收,水的比热容为4.2×10 3 J/(kg?℃). (3)在保压状态下,发热板正常工作30min消耗的电能有多少? |
最佳答案: | (1)电压力锅正常工作并且处于加热状态时,R 1 、R 2 并联, R 2 的电功率:P 2 =
则发热板加热的总功率P=P 1 +P 2 =800W+200W=1000W; (2)该压力锅对正常工作并且处于加热状态20min后,消耗的电能: W=Pt=1000W×20×60s=1.2×10 6 J, 水吸收的热量: Q=84%W=84%×1.2×10 6 J=1.008×10 6 J, 水的温度变化: △t=
水温升高到t=20℃+60℃=80℃; (3)在保压状态下,R 2 单独接入电路,发热板正常工作30min消耗的电能: W=P 2 t=200W×30×60s=3.6×10 5 J. 答:(1)电压力锅正常工作并且处于加热状态时,发热板加热的总电功率为1000W; (2)用该压力锅对4kg、20℃的水加热,正常工作20min后,水温升高到80℃; (3)在保压状态下,发热板正常工作30min消耗的电能3.6×10 5 J |
版权声明
声明:有的资源均来自网络转载,版权归原作者所有,如有侵犯到您的权益
请联系本站我们将配合处理!
