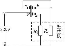
某型号电压力锅的额定电压为220V,如图是其工作原理简图.发热板由主加热器R1和保压加热器R2组成,R1的额定功率为800W,R2的阻值为242Ω.接通电路,开关S自动与触点a、b闭合,开始加热,
问题描述:
某型号电压力锅的额定电压为220V,如图是其工作原理简图.发热板由主加热器R1和保压加热器R2组成,R1的额定功率为800W,R2的阻值为242Ω.接通电路,开关S自动与触点a、b闭合,开始加热,当锅内水温达到105℃时,S自动与a、b断开,并与触点c接通,开始保压,此时锅内水温不变,且未沸腾.求:(1)电压力锅正常工作并且处于加热状态时,发热板加热的总电功率有多大?
(2)用该压力锅对4kg、20℃的水加热,正常工作20min后,求水温升高到多少摄氏度?已知消耗的电能有84%被水吸收,水的比热容为4.2×103J/(kg?℃).
(3)在保压状态下,发热板正常工作30min消耗的电能有多少?
最佳答案: (1)电压力锅正常工作并且处于加热状态时,R1、R2并联,
R2的电功率:P2=
| U2 |
| R2 |
| (220V)2 |
| 242Ω |
则发热板加热的总功率P=P1+P2=800W+200W=1000W;
(2)该压力锅对正常工作并且处于加热状态20min后,消耗的电能:
W=Pt=1000W×20×60s=1.2×106J,
水吸收的热量:
Q=84%W=84%×1.2×106J=1.008×106J,
水的温度变化:
△t=
| Q |
| cm |
| 1.008×106J |
| 4.2×103J/(kg?℃)×4kg |
水温升高到t=20℃+60℃=80℃;
(3)在保压状态下,R2单独接入电路,发热板正常工作30min消耗的电能:
W=P2t=200W×30×60s=3.6×105J.
答:(1)电压力锅正常工作并且处于加热状态时,发热板加热的总电功率为1000W;
(2)用该压力锅对4kg、20℃的水加热,正常工作20min后,水温升高到80℃;
(3)在保压状态下,发热板正常工作30min消耗的电能3.6×105J
版权声明
声明:有的资源均来自网络转载,版权归原作者所有,如有侵犯到您的权益
请联系本站我们将配合处理!
