如图所示,为用伏安法测量电阻时的一种连接方式,如果电流表和电压表的内阻的影响不能忽略,则该连接方式测量的电阻值电阻的真实值.(填“大于”、“小于”或“等于”)
问题描述:
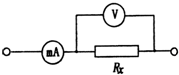
如图所示,为用伏安法测量电阻时的一种连接方式,如果电流表和电压表的内阻的影响不能忽略,则该连接方式测量的电阻值______电阻的真实值.(填“大于”、“小于”或“等于”)
最佳答案: 实际的电压表内阻不是无穷大,接入电路时要分流,使得电流表测量的电流大于通过待测电阻RX的电流,而电压没有系统误差,根据欧姆定律R=
| U |
| I |
故答为:小于
版权声明
声明:有的资源均来自网络转载,版权归原作者所有,如有侵犯到您的权益
请联系本站我们将配合处理!
