如图所示,用10N的力水平向右拉一个重30N的木块,使木块以2m/s的速度在水平地面上做匀速直线运动,试用力的图示法表示木块受到20N水平向右拉力作用时的受力情况.
问题描述:
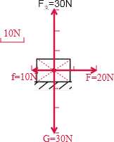
如图所示,用10N的力水平向右拉一个重30N的木块,使木块以2m/s的速度在水平地面上做匀速直线运动,试用力的图示法表示木块受到20N水平向右拉力作用时的受力情况.
最佳答案: 用10N的力水平向右拉一个重30N的木块,此时木块做匀速直线运动,所以物体受平衡力作用,在竖直方向上F支=G=30N,在水平方向上,F拉=f=10N;
当拉力为20N时,由于压力和接触面的粗糙程度不变,所以摩擦力大小不变,摩擦力仍为10N,拉力为20N,在竖直方向上,重力与支持力相等为30N.
图示如下:
.
版权声明
声明:有的资源均来自网络转载,版权归原作者所有,如有侵犯到您的权益
请联系本站我们将配合处理!
