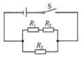
利用图所示电路可定性研究电热与电流、电阻和通电时间的关系,图中三个电阻的材料和质量相同,且R1=R3=5Ω,R2=10Ω,三个电子温度计分别与之相连(图中未画出),并能测量它们的温度.
问题描述:
利用图所示电路可定性研究电热与电流、电阻和通电时间的关系,图中三个电阻的材料和质量相同,且R1=R3=5Ω,R2=10Ω,三个电子温度计分别与之相连(图中未画出),并能测量它们的温度.闭合开关后,每隔一定时间记录各电阻的温度,通过比较温度的变化来间接反映电阻产生电热的多少.下列有关分析与推断错误的是( )
A. 分析任意一个电阻的温度变化,可知电热与通电时间有关
B. 分析比较R1和R2的温度及变化,可知电热与电阻有关
C. 分析比较R1和R3的温度及变化,可知电热与电流有关
D. 分析比较R2和R3的温度及变化,可知电热与电阻有关
最佳答案: A、由Q=I2Rt可知,对同一电阻而言,通过的电流不变时,通电时间越长,产生的热量越多,温度越高,故A正确;
B、探究电热与电阻关系时,由Q=I2Rt可知,需保持电流和通电时间相同,电阻不同;
根据题意和电路图可知,R1≠R2,并且R1、R2串联,即通过的电流和通电时间相等,因此分析比较R1和R2的温度及变化,可知电热与电阻有关,故B正确;
C、探究电热与电流关系时,由Q=I2Rt可知,需保持电阻和通电时间相同,电流不同;
根据题意和电路图可知,R1=R3,并且R1、R2串联后与R3并联,由于两支路的总电阻不同,因此通过它们的电流不同,故分析比较R1和R3的温度及变化,可知电热与电流有关,故C正确;
D、根据控制变量法可知,探究电热与电流、电阻以及通电时间是否有关时,变化的量只能有一个,其它因素均不变,因此不可以探究电热与电阻的关系,故D错误.
故选D.
版权声明
声明:有的资源均来自网络转载,版权归原作者所有,如有侵犯到您的权益
请联系本站我们将配合处理!
