如图的光控电路用发光二极管LED模仿路灯,RG为光敏电阻,当有较强的光照在RG上,二极管.如果要想在天更暗时路灯才会亮,应将R1的阻值调.
问题描述:
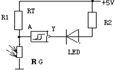
如图的光控电路用发光二极管LED模仿路灯,RG为光敏电阻,当有较强的光照在RG上,二极管______.如果要想在天更暗时路灯才会亮,应将R1的阻值调______.
最佳答案: 该门电路有一输入端总是输入低电势,有较强的光照时,电阻比较小,光敏电阻两端的电势差比较小,则输入门电路为低电势,最后熄灭,如果要想在天更暗时路灯才会亮,应将R1的阻值调大.
故答案为:熄灭,大.
版权声明
声明:有的资源均来自网络转载,版权归原作者所有,如有侵犯到您的权益
请联系本站我们将配合处理!
上一篇 : 宋朝相国是否有人叫张文尉
下一篇 :南宋书院的性质
