荆州南湖机械厂某产品检测中心欲检测本厂生产绝缘圆筒上金属镀膜厚度是否符合产品要求,由于镀膜很薄,难以直接测量其厚度,现采用以下实验方案:第一步,选取一个待检圆筒,用电
问题描述:
荆州南湖机械厂某产品检测中心欲检测本厂生产绝缘圆筒上金属镀膜厚度是否符合产品要求,由于镀膜很薄,难以直接测量其厚度,现采用以下实验方案:第一步,选取一个待检圆筒,用电阻不计的铜丝绕制两个与膜接触良好的导体环,固定在圆筒两端如图1所示;
第二步,由游标卡尺测量其外径为D,用米尺测量接入两环之间圆筒的长度L;
第三步,用多用电表的欧姆档测量其金属膜导体的电阻,选择“×10”挡,读数如图2所示,则R的读数为___
第四步,为了更精确测量其圆筒金属膜的电阻R,从而达到测量膜的厚度的目的,检测中心备有如下器材:
电流表A1(量程0~3A,内阻约0.06Ω);
电流表A2(量程0~10mA,内阻约1.0Ω);
电压表V1(量程0~3V,内阻约3.0kΩ);
电压表V2(量程0~15V,内阻约15kΩ);
直流电源E(干电池2节串联,内阻很小);
滑动变阻器R1(阻值范围0~15Ω,允许通过的最大电流2.0A);
滑动变阻器R2(阻值范围0~1750Ω,允许通过的最大电流0.01A);
开关S及导线若干.

(1)在上述所给器材中,电流表应选___,电压表应选___,滑动变阻器应选___.
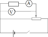
(2)请你在如图3方框中画出精确测量圆筒金属膜电阻的电路图.
(3)在检测中心查得该金属膜材料的电阻率ρ,则膜的厚度d=___(用题中所给的字母表示,由于d<<D,在计算膜的橫截面积时,可认为膜的内周长等于外周长)
最佳答案: 多用电表选择“×10”挡,由图示表盘可知,电阻阻值:R=32×10=320Ω;
(1)电源电动势:E=1.5×2=3V,电压表应选择V1,通过电阻膜的电流约为:I=
| U |
| R |
| 3V |
| 320Ω |
(2)待测电阻阻值约为320Ω,电流表内阻约为1Ω,电压表内阻约为3kΩ,待测电阻阻值远大于电流表内阻,电流表应采用内接法,滑动变阻器最大阻值为15Ω,为测多组实验数据,滑动变阻器应采用分压接法,电路图如图所示:

(3)电阻膜的电阻:R=ρ
| L |
| S |
| L |
| πDd |
| ρL |
| πRD |
故答案为:320Ω;(1)A2,V1,R1;(2)电路图如图所示;(3)
| ρL |
| πRD |
版权声明
声明:有的资源均来自网络转载,版权归原作者所有,如有侵犯到您的权益
请联系本站我们将配合处理!
