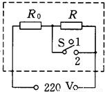
CFXR型“220V1100W”电饭煲的原理图如图所示,它有高温烧煮和焖饭、保温两挡,通过单刀双掷开关S进行调节,R为电热丝,当开关S接高温烧煮挡时,电路的功率为1100W,当开关S接焖饭、保温
问题描述:
CFXR型“220V 1100W”电饭煲的原理图如图所示,它有高温烧煮和焖饭、保温两挡,通过单刀双掷开关S进行调节,R为电热丝,当开关S接高温烧煮挡时,电路的功率为1100W,当开关S接焖饭、保温挡时,电路的总功率为22W.(1)电饭煲在高温烧煮挡时,开关S应与哪个触点连接?
(2)电热丝R的阻值多大?
(3)当电饭煲在正常焖饭、保温时电路中的电流多大?焖饭、保温10min,电热丝R产生的热量为多少?

最佳答案: (1)电饭煲在高温烧煮挡时,电路电阻最小,开关S与触点2连接时,电阻R被短路,电路电阻最小,功率最大.
(2)电热丝R的阻值可用电源电压的平方除以高温烧煮挡的电功率来计算.
(3)电饭煲在正常焖饭、保温时电路中的电流可用电压除以总电阻来计算,焖饭、保温10min,电热丝R产生的热量可用焦耳定律来计算.
【解析】
(1)由于两端电压一定,由P=UI=U
=
知,R小时功率大.因此,S应接2触点时,电饭煲在高温烧煮.
(2)由题意高温烧煮时功率为1100W得:P=UI=
即R=
;
(3)由焖饭时电路总功率为22W,得P1=UI1则:I1=
=
=0.1A
焖饭10min电热丝R产生的热量:Q=I12Rt=(0.1A)2×44Ω×10min=264J.
答:(1)电饭煲在高温烧煮挡时,开关S应与触点2连接.
(2)电热丝R的阻值为44Ω.
(3)当电饭煲在正常焖饭、保温时电路中的电流为0.1A;焖饭、保温10min,电热丝R产生的热量为264J.
版权声明
声明:有的资源均来自网络转载,版权归原作者所有,如有侵犯到您的权益
请联系本站我们将配合处理!
