近年来全国各地长期被雾霾笼罩,雾霾颗粒中汽车尾气占20%以上.已知汽车尾气中的主要污染物为NOx、CO、超细颗粒(PM2.5)等有害物质.目前,已研究出了多种消除汽车尾气污染的方法.根据下列示意图回答
近年来全国各地长期被雾霾笼罩,雾霾颗粒中汽车尾气占20%以上.已知汽车尾气中的主要污染物为NOx、CO、超细颗粒(PM2.5)等有害物质.目前,已研究出了多种消除汽车尾气污染的方法.根据下列示意图回答有关问题:
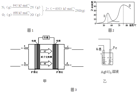
(1)汽车发动机工作时会引发N2和O2反应,其能量变化示意图如图1: 
写出该反应的热化学方程式:______
(2)空燃比较易产生CO,有人提出可以设计反应2CO(g)═2C(s)+O2(g)来消除CO的污染.判断该设想是否可行,并说出理由:______ .
(3)在汽车上安装三元催化转化器可实现反应: (Ⅱ)2NO(g)+2CO(g)⇌N2(g)+2CO2(g)△H<0.若该反应在恒压的密闭容器中进行,则下列有关说法正确的是____________
A.其他条件不变,增大催化剂与反应物的接触面积,能提高反应速率,使平衡常数增大
B.平衡时,其他条件不变,升高温度,逆反应速率增大,正反应速率减小
C.在恒温条件下,混合气体的密度不变时,反应达到化学平衡状态
D.平衡时,其他条件不变,增大NO的浓度,反应物的转化率都增大
(4)将NO和CO以一定的流速通过两种不同的催化剂进行反应(Ⅱ),经过相同时间内测量逸出气体中NO的含量,从而确定尾气脱氮率(脱氮率即NO的转化率),结果如图2所示.以下说法正确的是____________ .
A.第②种催化剂比第①种催化剂脱氮率高
B.相同条件下,改变压强对脱氮率没有影响
C.在该题条件下,两种催化剂分别适宜于55℃和75℃左右脱氮
(5)甲醇﹣空气燃料电池(DMFC)是一种高效能、轻污染电动汽车的车载电池,其工作原理示意图如图3甲, 该燃料电池的电池反应式为 2CH3OH (g)+3O2(g)═2CO2(g)+4H2O(l)
①负极的电极反应式为,氧气从口通入______(填b或c)
②用该原电池电解AgNO3溶液,若Fe电极增重5.4g,则燃料电池在理论上消耗的氧气的体积为______mL(标准状况)
【答案】(1)N2(g)+O2(g)=2NO(g)△H=+183KJ/mol
(2)不合理,该反应焓增、熵减,任何条件下都不能自发进行或该反应△H>0,△S<0 则△G>0
(3)C
(4)C
(5)c;280
【解析】解:(1)该反应中的反应热=反应物的键能和﹣生成物的键能和=(945+498)kJ/mol﹣2×630kJ/mol=+183kJ/mol,所以N2和O2反应生成NO的热化学反应方程式为N2(g)+O2(g)=2NO(g)△H=+183kJ•mol﹣1;
所以答案是:N2(g)+O2(g)=2NO(g)△H=+183KJ/mol;(2)2CO(g)=2C(s)+O2(g)(△H>0、△S<0)是一个焓增、熵减的反应,任何情况下不能自发进行,所以无法消除CO的污染,
所以答案是:不合理,该反应焓增、熵减,任何条件下都不能自发进行或该反应△H>0,△S<0则△G>0;(3)A.平衡常数是温度的函数,只与温度有关,故增大催化剂与反应物的接触面积,平衡常数不变,故A错误;
B.升高温度,化学反应速率加快,正,逆反应速率都增大,故B错误;
C.这是一个气体体积变化的反应,密度不变相当于浓度不变,故能说明反应达到化学平衡状态,故C正确;
D.增大NO的浓度,CO反应物的转化率增大,NO的转化率减小,得不偿失,故反应物的转化率都增大错误,故D正确;
所以答案是:C;(4)A.催化剂不会影响转化率,只影响反应速率,所以第②种催化剂和第①种催化剂对转化率没有影响,故A错误;
B.反应为体积增大的反应,增大压强平衡向逆反应方向移动,脱氮率减小,故B错误;
C.两种催化剂分别在55℃和75℃左右催化效率最高,说明此时催化剂的活性最大,故C正确;
所以答案是:C;(5)①燃料电池正极通氧气,故氧气从口通入c,所以答案是:c;
②Fe电极增重5.4g,说明析出银是5.4g,则转移电子是5.4g÷108g/mol=0.05mol,所以根据电子得失守恒可知,消耗氧气是0.05mol÷4=0.0125mol,体积是0.0125mol×22.4L/mol=0.28L=280ml,所以答案是:280.
【考点精析】关于本题考查的化学平衡状态本质及特征和化学平衡状态的判断,需要了解化学平衡状态的特征:“等”即 V正=V逆>0;“动”即是动态平衡,平衡时反应仍在进行;“定”即反应混合物中各组分百分含量不变;“变”即条件改变,平衡被打破,并在新的条件下建立新的化学平衡;与途径无关,外界条件不变,可逆反应无论是从正反应开始,还是从逆反应开始,都可建立同一平衡状态(等效);状态判断:①v(B耗)=v(B生)②v(C耗):v(D生)=x : y③c(C)、C%、n(C)%等不变④若A、B、C、D为气体,且m+n≠x+y,压强恒定⑤体系颜色不变⑥单位时间内某物质内化学键的断裂量等于形成量⑦体系平均式量恒定(m+n ≠ x+y)等才能得出正确答案.
版权声明
声明:有的资源均来自网络转载,版权归原作者所有,如有侵犯到您的权益
请联系本站我们将配合处理!
