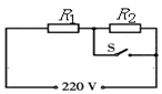
美的CFXB型“220V440W”电饭煲的原理如图所示,它有高温烧煮和焖饭保温两挡,其铭牌如下表所示。电饭煲容量2L额定电压220V高温煮饭功率880W焖饭保温功率110W(1)
问题描述:
美的CFXB型“220V 440W”电饭煲的原理如图所示,它有高温烧煮和焖饭保温两挡,其铭牌如下表所示。
(1)当开关S闭合时,电饭煲处于高温烧煮挡还是焖饭保温档?且当电饭煲处于高温烧煮挡时工作10min消耗的电能为多少? (2)电热丝 R 1 和 R 2 的阻值各是多大? (3)当电饭煲在正常焖饭保温时 R 1 消耗的电功率是多大? |
最佳答案: (1)5.28×10 5 J;(2)55Ω,385Ω (3)13.75w 由电功公式可求得消耗的电能;由功率公式可求得电热丝的阻值; 由P 1 =I 2 ×R 1 可求出电功率;(1)当开关S闭合时,电饭煲处于高温烧煮...
版权声明
声明:有的资源均来自网络转载,版权归原作者所有,如有侵犯到您的权益
请联系本站我们将配合处理!
