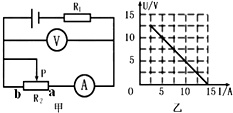
如图甲所示电路,可变电阻R2的滑片P从a向b滑动过程中,电压表与电流表的示数呈图乙所示的规律.求:(1)R2的阻值范围和滑片在b端时R2的功率(2)电源电压和电阻R1的最小功率.
问题描述:
如图甲所示电路,可变电阻R2的滑片P从a向b滑动过程中,电压表与电流表的示数呈图乙所示的规律.求:
(1)R2的阻值范围和滑片在b端时R2的功率
(2)电源电压和电阻R1的最小功率.
最佳答案: (1)由图象可知,滑动变阻器接入电路阻值最大时,
滑动变阻器两端电压U2=12.5V,电流I'=2.5A,
由I=
| U |
| R |
| 12.5V |
| 2.5A |
滑动变阻器阻值变化范围是0~5Ω;
滑片在b端时R2的功率:P2=U2I=12.5V×2.5A=31.25W;
(2)由图象可知,电压表示数为0时,电路电流I=15A,
动变阻器接入电路阻值最大时,
滑动变阻器两端电压U2=12.5V,电流I'=2.5A,
此时只有电阻R1接在电源两端,由I=
| U |
| R |
电源电压U=U1=IR1=15A×R1,U=I'R1+U2=2.5A×R1+12.5V,
则U=15V,R1=1Ω,
滑动变阻器全部接入电路时R1的电功率最小,
P1最小=I'2R1=(2.5A)2×1Ω=6.25W;
答:(1)R2的阻值范围是:0~5Ω,滑片在b端时R2的功率是31.25W;
(2)电源电压是15V,电阻R1的最小功率为6.25W.
版权声明
声明:有的资源均来自网络转载,版权归原作者所有,如有侵犯到您的权益
请联系本站我们将配合处理!
