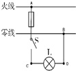
如图所示的家庭电路中,闭合开关后灯泡不亮,但保险丝完好,用试电笔检测A、B、C、D四点,发现氖管均发光,发生这一现象的原因可能是.在一些农村家庭和简易工棚里的电路,经常有
问题描述:
如图所示的家庭电路中,闭合开关后灯泡不亮,但保险丝完好,用试电笔检测A、B、C、D四点,发现氖管均发光,发生这一现象的原因可能是___.在一些农村家庭和简易工棚里的电路,经常有这种现象,因为导线长度不够,需要把两根连接起来,而连接处往往更容易___,这是因为___.
最佳答案: (1)如果火线断了,测电笔无论接触哪个点,氖管都不会发光;如果灯泡短路,保险丝会烧断,测电笔接触BCD时,氖管不会发光;如果灯丝断了,电路处于断路状态,测电笔接触BD时,氖管不会发光;如果零线断了,其它部分仍是通路,所以测电笔接触各点,氖管都会发光;但灯泡是断路状态,不会发光,故是零线断了;
(2)在家庭电路中,导线相互连接处因接触不良,该处的电阻较大,由于导线连接处与导线串联在电路中,通过的电流相等、通电时间相等,
根据Q=I2Rt,连接处产生的热量较多,往往比别处更容易发热,加速导线老化,甚至引起火灾.
故答案为:零线断了;发热;连接处电阻大.
版权声明
声明:有的资源均来自网络转载,版权归原作者所有,如有侵犯到您的权益
请联系本站我们将配合处理!
