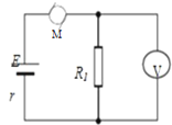
如图所示电路中,电源电动势E=10V,内阻r=0.5Ω,电动机的电阻RM=1.0Ω,电阻R1=1.5Ω.电动机正常工作时, 电压表的示数U1=3.0V,求:
如图所示电路中,电源电动势E=10V,内阻r=0.5Ω,电动机的电阻RM=1.0Ω,电阻R1=1.5Ω.电动机正常工作时, 电压表的示数U1=3.0V,求:

(1)电源释放的总电功率P
(2)电动机将电能转化为机械能的机械功率PJ
(3)电源的输出功率P出。
【答案】(1)20 W(2)8 W(3)18 W
【解析】(1)电路中的电流为
,电源的总功率为
;
(2)电源内阻分得电压为
,
电动机两端的电压为
,
电动机消耗的电功率为
;
电动机将电能转化为机械能的功率为
;
(3)电源内阻消耗的功率为
,
电源的输出功率为
。
版权声明
声明:有的资源均来自网络转载,版权归原作者所有,如有侵犯到您的权益
请联系本站我们将配合处理!
