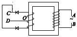
如图是手机充电器的内部电路核心部分的简化模型,将变压器和二极管都视为理想元件,已知变压器的原、副线圈匝数比为20:1,A、B端输入电压为U1=2202sin100πt(V),对于输出端CD(OD为副
问题描述:
如图是手机充电器的内部电路核心部分的简化模型,将变压器和二极管都视为理想元件,已知变压器的原、副线圈匝数比为20:1,A、B端输入电压为U1=220| 2 |

A. 输出电压的有效值为11V
B. 输出电压的有效值为5.5V
C. CD端的输出功率和AB端的输入功率之比为1:2
D. CD端的输出功率和AB端的输入功率之比为1:1
最佳答案: A、输入电压的有效值U1=
220
| ||
|
| 2 |
| n2 |
| n1 |
| 1 |
| 40 |
C、因为变压器输入功率等于输出功率,故CD端的输出功率和AB端的输入功率之比为1:1,故C错误,D正确.
故选:BD.
版权声明
声明:有的资源均来自网络转载,版权归原作者所有,如有侵犯到您的权益
请联系本站我们将配合处理!
