如图所示,(甲)是一单刀双掷开关的实物图,它的符号如图(乙)所示.图(丙)是单刀双掷开关的电路控制作用的一个实例.当S与“1”接触时,灯泡E1发光,当S接触“2”时,灯泡E2发
问题描述:
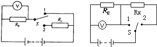
如图所示,(甲)是一单刀双掷开关的实物图,它的符号如图(乙)所示.图(丙)是单刀双掷开关的电路控制作用的一个实例.当S与“1”接触时,灯泡E1发光,当S接触“2”时,灯泡E2发光.现有如下器材:一个电源(两极间电压保持不变,但电压数值未知)、一个电阻箱(用R0表示)、一个电压表(最大量程大于电源两极间电压)、一个待测电阻(用RX表示)、一个单刀双掷开关、导线若干(1)根据以上所给器材,在虚线框内设计一个能测量并计算出待测电阻RX的规范电路图(连接好后在实验过程中不能拆卸).

(2)写出测量的操作步骤及所测量的物理量.
(3)写出用测量的量计算RX的表达式.
最佳答案: (1)如图,用电压表测R0两端的电压,单刀双掷开关可控制待测电阻是否接入电路;
(2)步骤:S接1时,测出电源两极间电压U;S接2时,测出R0两端电压U0;
(3)RX两端的电压UX=U-U0,RX的电流IX=
| U0 |
| R0 |
| UX |
| IX |
| U−U0 |
| U0 |
版权声明
声明:有的资源均来自网络转载,版权归原作者所有,如有侵犯到您的权益
请联系本站我们将配合处理!
上一篇 : 双熔点是什么
下一篇 :用绿光照射绿裙子,裙子上所呈现的颜色是?
