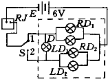
如图所示是摩托车转向灯电路,RJ为闪光器,它可以使电路间歇地通断,已知虚线框内有一个“6V、1.5W”的转指示向灯(用D表示)和四只“6V、10W”的转向灯,当驾车者将开关S拨至1位置时,
问题描述:
如图所示是摩托车转向灯电路,RJ为闪光器,它可以使电路间歇地通断,已知虚线框内有一个“6V、1.5W”的转指示向灯(用D表示)和四只“6V、10W”的转向灯,当驾车者将开关S拨至1位置时,前后两个右转向灯(用RD1、RD2表示)发光,向其它车辆或路人发右转信号,同时转向指示灯也闪亮,向驾驶者提供转向灯是否工作正常,左转道理与右转一样,当驾车者将开关S拨至2位置时,前后两个左转向灯(用LD1、LD2表示)发光,已知电源的内阻不计,是通过计算说明该电路左右转向灯不同时亮而指示灯都亮的工作原理.
最佳答案: 由纯电阻功率P=
| U2 |
| R |
转向灯电阻R=3.6Ω当开关S拨至1位置,右转向灯RD1和RD2直接接在电源上,电压均为6V,能正常发光,此时LD1和LD2得到的电压:
ULD=
| 0.5R |
| 0.5R+RD |
| 18 |
| 43 |
由于ULD<6V,故左转向灯不能发光而D得到的电压UD=5.6V.
由于UD接近6V,故能发光.
答:工作原理见上.
版权声明
声明:有的资源均来自网络转载,版权归原作者所有,如有侵犯到您的权益
请联系本站我们将配合处理!
