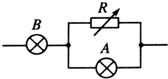
问题描述:
如下图所示,A、B两灯泡额定电压都为110V,额定功率P
A=100W、P
B=40W,接在电压恒为220V电路上,欲使两灯泡均正常发光,且整个电路消耗的电功率最小,则下面四种电路连接方式中满足要求的是( )A.

B.

C.

D.

最佳答案: 根据公式P=
可知,灯泡A的电阻RA=
=
=121Ω,灯泡B的电阻RB=
=
=302.5Ω.A、图是灯泡A和灯泡B串联,然后接到220V的电源上,根据串联电路的分压特点可知灯泡B两端的电压大于110V,所以不能正常工作,故A不正确;B、图是灯泡A和可变电阻R并联后又和灯泡B串联,灯泡要想正常工作,必须满足灯泡A与可变电阻R并联后和灯泡B的电阻相等;但并联电路中,电阻越并越小,小于任何一个分电阻,所以此电路中灯泡A和灯泡B也不能正常工作,故B不正确;C、图是灯泡B和可变电阻R并联后又和灯泡A串联,灯泡要想正常工作,必须满足灯泡B与可变电阻R并联后和灯泡A的电阻相等;串联电路,电阻越串越大;可以使灯泡A和灯泡B正常工作;所以R总=2RA=2×121Ω=242Ω;D、图是灯泡A和灯泡B并联后又与可变电阻R串联,灯泡要想正常工作,必须满足灯泡A与灯泡B并联后和可变电阻R的阻值相等;由公式
=
+
得灯泡B和灯泡A并联后的电阻R≈86.4Ω,故D图的总电阻为R总=2R=2×86.4Ω=172.8Ω;根据公式P=
可知,电路电阻越大.消耗的功率就越小,比较C图和D图可知,C图的总电阻大,消耗的功率最小.故选C.