问题描述:
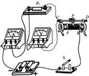
小彬用如图所示的实验器材探究“电流与电阻的关系”.电源电压恒为3V,滑动变阻器上标有“20Ω 2A”字样.阻值分别为5Ω、10Ω、15Ω、50Ω的定值电阻各一个.

(1)请你用笔画线代替导线,把图甲所示的实验电路补充完整.(2)小彬将5Ω定值电阻接入电路后,闭合开关,发现电流表有示数而电压表无示数,则电路中的故障可能是___(写出一种);排除故障后,闭合开关,调节滑动变阻器的滑片P,使电流表的示数如图乙所示,此时电路中的电流为___A.(3)将5Ω定值电阻换成10Ω定值电阻,闭合开关,为了保持___表的示数不变,应将滑动变阻器的滑片P向___(选填“A”或“B”)移动,记录此时各表的示数.(4)将10Ω定值电阻换成15Ω定值电阻,重复步骤(3).(5)实验记录的多组数据如表所示.分析数据可得出结论:当电压一定时,通过导体中的电流与电阻成___比.(6)实验结束后,小彬问老师在此实验中能否换用50Ω的定值电阻进行实验?老师指导小彬分析了不能更换的原因.你认为其原因是___.
| 实验次数 | 定值电阻(Ω) | 电流表示数(A) |
| 1 | 5 | |
| 2 | 10 | 0.18 |
| 3 | 15 | 0.12 |
最佳答案: (1)电压表与电阻并联,由于电源电压为3V,所以应选择0~3V的量程;滑动变阻器已接了下面一个接线柱,可再接上面任意一个接线柱,如图所示:
(2)电流表有示数,电压表无示数,说明与电压表并联部分发生短路,或定值电阻R1短路;由乙图知,电流表的量程为0~0.6A,分度值为0.02A,示数为0.36A;(3)将5Ω电阻换成10Ω后,电压表的示数会变大,所以应该增大滑动变阻器的阻值,即应将滑动变阻器的滑片P向A移动,使电压表仍为原来的示数不变;(5)电流和电阻的关系为:当电压一定时,通过导体中的电流与电阻成反比;(6)当定值电阻为50Ω时,此时滑动变阻器最大阻值为20Ω,因为
=
,即
=
=
=
,所以,定值电阻两端最小电压为
×3V≈2.1V>1.8V,无法保持定值电阻两端电压始终为1.8V.故答案为:(1)如图所示;(2)定值电阻R1短路;0.36;(3)电压;A;(5)反;(6)滑动变阻器最大阻值太小,无法保持电压表示数为1.8V.