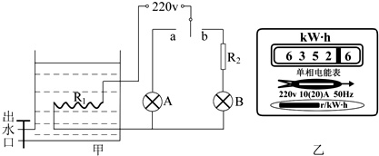
小芳老师家有款电热水器,说明书上有工作原理示意图(如图甲),该热水器有“加热”和“保温”两档,试求:(1)当处于“加热”档工作时,双掷开关S应置于(选填“a”、“b”或“
问题描述:
小芳老师家有款电热水器,说明书上有工作原理示意图(如图甲),该热水器有“加热”和“保温”两档,试求:
(1)当处于“加热”档工作时,双掷开关S应置于___(选填“a”、“b”或“中间”)
(2)该电路处于加热档时,总功率为1100W,AB指示灯电阻很小可忽略不计,R2=99R1,且R1和R2的阻值不随温度的变化,求电路处于保温档时,电路的总功率.
(3)某次实际工作时,该电热水器在加热状态下的总功率只有1050W,小芳老师关闭家中其他电器,单独让电热水器接在电能表上,发现2min电能表转盘转了42转,则电能表上模糊不清的这个参数应该是多少r/kW?h?
最佳答案: (1)由电路图可知,双掷开关S应置于a时,电路为R1的简单电路,电路中的总电阻最小,由P=U2R可知,电路中的总功率最大,电热水器处于加热档;同理可知,双掷开关S应置于b时,R1与R2串联,电路中的总电阻最大,功率最...
版权声明
声明:有的资源均来自网络转载,版权归原作者所有,如有侵犯到您的权益
请联系本站我们将配合处理!
