小明利用实验室的电磁继电器、阻值随温度变化的电阻R1、滑动变阻器R2、发热电阻丝R0设计了一个恒温箱控制电路.如图甲所示,恒温箱加热器的电源电压为220V,加热电热丝R0和电阻R1处于
问题描述:
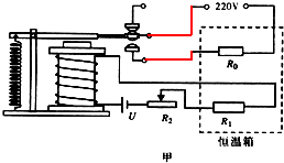
小明利用实验室的电磁继电器、阻值随温度变化的电阻R1、滑动变阻器R2、发热电阻丝R0设计了一个恒温箱控制电路.如图甲所示,恒温箱加热器的电源电压为220V,加热电热丝R0和电阻R1处于恒温箱内,图乙是电阻R1的阻值随温度变化的关系曲线.电磁继电器所在的控制电路的电源电压U=9V,电磁继电器线圈的电阻可不计,通过实验测得当电磁继电器线圈的电流达到30mA时,电磁继电器的衔铁被吸下来.
(1)请用笔画线代替导线,按照题意将图中的电路连接完整.
(2)当滑动变阻器R2接入电路中的电阻为250Ω时,接通电路,加热电热丝加热使恒温箱的温度升高到大约______℃并保持不变.在升温的过程中,电阻R1两端的电压会______(填“变大”、“变小”或“不变”).
(3)如果要使恒温箱内保持的温度升高,合理的操作方法是______.
最佳答案: (1)由题意可知,发热电阻丝分别与最下面两个接线柱相连,组成电路,如下图所示:
(2)当电磁继电器线圈的电流达到30mA时,电路中的总电阻:
R=
| U |
| I |
| 9V |
| 30×10?3A |
∵串联电路中的总电阻等于各分电阻之和,
∴电阻R1=R-R2=300Ω-250Ω=50Ω,
由图可知,热敏电阻为50Ω时对应的温度为50℃,
即恒温箱的温度将稳定在50℃;
在升温的过程中,电阻R1的阻值变大,电路中的总电阻变大,
根据欧姆定律可知,电路中的电流变小,滑动变阻器接入电路的电阻不变时其两端的电压变小,
根据串联电路中总电压等于各分电压之和可知,电阻R1两端的电压会变大;
(3)从图乙可知,要提高恒温箱的设定温度,就要减小热敏电阻的阻值;但为了使衔铁吸合工作电流即线圈中的电流仍为30mA,根据欧姆定律就要增大电阻箱连入的电阻值,即R2的滑片向左移动.
故答案为:
(1)如上图所示;
(2)50;变大;
(3)R2的滑片向左移动.
版权声明
声明:有的资源均来自网络转载,版权归原作者所有,如有侵犯到您的权益
请联系本站我们将配合处理!
上一篇 : 西裤尺寸.一尺等于多少厘米
下一篇 :促进了北方民族大融合的改革是什么?
