已知A为常见的金属单质,根据如图所示的转化关系回答下列问题。(1)确定A、B、C、D、E、F的化学式:A为,B为,C为。D为,E为,F为。(2)写出⑧的化
问题描述:
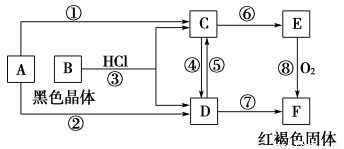
已知A为常见的金属单质,根据如图所示的转化关系回答下列问题。
(1)确定A、B、C、D、E、F的化学式:
A为________,B为________,C为________。
D为________,E为________,F为________。
(2)写出⑧的化学方程式及④、⑤的离子方程式:___________________________。
最佳答案: 23 . (1) Fe Fe3O4 FeCl2 FeCl3 Fe(OH)2 Fe(OH)3
(2) 4 Fe(OH)2 +O2 + 2H2O = 4 Fe(OH)3
2Fe2+ + Cl2 = 2Fe3+ + 2 Cl- 2Fe3+ + Fe = 3 Fe2+
版权声明
声明:有的资源均来自网络转载,版权归原作者所有,如有侵犯到您的权益
请联系本站我们将配合处理!
