一、初中物理电路故障分析
1、电压表示数为零的情况
A 电压表并联的用电器发生短路

(一灯亮一灯不亮,电流表有示数)
(一灯亮一灯不亮,电流表有示数)
B电压表串联的用电器发生断路

(两灯都不亮,电流表无示数)
(两灯都不亮,电流表无示数)
C电压表故障或与电压表连线发生断路

(两灯都亮,电流表有示数)
(两灯都亮,电流表有示数)
2、电压表示数等于电源电压的情况
A电压表测量的用电器发生断路

(两灯都不亮,电流表无示数)
(两灯都不亮,电流表无示数)
注:此时不能把电压表看成断路,而把它看成是一个阻值很大的电阻同时会显示电压示数的用电器,由于电压表阻值太 大,根据串联电路分压作用,电压表两端几乎分到电源的全部电压,电路中虽有电流但是很微弱,不足以使电流表指针 发生偏转,也不足以使灯泡发光。如果题目中出现“约”、“几乎”的字眼时,我们就锁定这种情况。
B电路中旁边用电器发生短路

(一灯亮一灯不亮,电流表有示数)
(一灯亮一灯不亮,电流表有示数)
总结:如图,两灯泡串联的电路中,一般出现的故障问题都是发生在用电器上,所以通常都有这样一个前提条件已知电 路中只有一处故障,且只发生在灯泡L1或L2上。 若两灯泡都不亮,则一定是某个灯泡发生了断路,如果电压表此时有示数,则一定是和电压表并联的灯泡发生了断路, 如果电压表无示数,则一定是和电压表串联的灯泡发生了断路。此两种情况电流表均无示数。 若一个灯泡亮另一个灯泡不亮,则一定是某个灯泡发生了短路,如果电压表此时有示数,则一定是和电压表串联的灯泡 发生了短路,如果电压表此时无示数,则一定是和电压表并联的灯泡发生了短路。此两种情况电流表均有示数
3、用电压表电流表排查电路故障 A、 用电压表判断电路故障,重要结论:电压表有示数说明和电压表串联的线路正常,和电压表并联的线路有故障。若 电路中只有一处故障则电压表无示数时,和电压表并联的线路一定正常。

电源电压为6V,用电压表测得:Uab=0;Ued=6v;Ucd=0;Uac=6v,灯泡不亮,哪里出现故障?%20解题思路:%20先找有示数的,Ued=6v说明从e点到电源正极线路完好,从d点到电源负极线路完好;Uac=6v说明从a点到电%20源正极线路完好,从c点到电源负极线路完好,这样将故障锁定在ac之间了,由Uab=0,说明bc之间出现故障,故电阻出%20现断路。
B、用电流表测电路的通断,有示数说明和电流表串联的电路是通路;电流表没有示数则有两种情况:1断路%202%20电路中%20电流太小,不足以使电流表指针发生偏转(例如:电压表与电流表串联,见上面2A)
互动训练%201、(最后有参考答案
如图1是测定小灯泡两端的电压和通过小灯泡的电流的电路图。如果某同学在操作的过程中对两只电表的量程选择是%20正确的,但不慎将两电表的位置对调了,则闭合开关S后(%20)
A、%20电流表、电压表均损坏;
B、电流表损坏,电压表示数为零;
C、电流表有示数,电压表示数为零;
D、电流表示数为零,电压表有示
2、如图2所示,下列说法正确的是 ( )
A、电流表的连接是正确的;
B、电压表的连接是正确的;
C、两表的连接都是错误的;
D、电流表将会被烧坏。

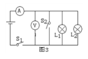
3、如图3所示,两只电灯L1和L2并联在电路中,当S1和S2都闭合时,电路中可能出现 ( )
A、电流表被烧坏;
B、电压表被烧坏;
C、两只灯会被烧坏;
D、两只灯都能发光。

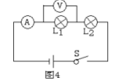
4、如图4所示,当开关闭合后两灯均不亮,电流表无示数,电压表示数等于电源电压,则电路 发生的故障是 ( )
A、 电源接线接触不良;
B、电流表损坏,断路,其他元件完好;
C、灯L1发生灯丝烧断;
D、灯L2发生短路,其他元件完好。

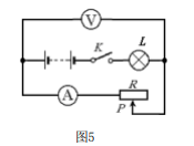
5、如图5所示为某同学做实验时的错误电路图,当闭合开关后将 ( )
A、电压表指针有明显偏转;
B、电压表一定烧坏;
C、灯泡L的灯丝烧坏;
D、电源损坏。

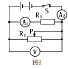
6、如图6所示的电路,开关S闭合时,发现L1、L2都不亮,用电压表逐段测量,结果是Uad=6v, Uab=0, Ubc=0, Ucd=6V, 则 该电路的故障可能是 ( )
A、开关S接触不良;
B、灯L1断路;
C、灯L2短路;
D、灯L2的灯丝断了。

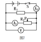
7、如图7所示的电路,开关S闭合时,发现L1、L2都不亮,用电压表逐段测量,结果是Uad=6v, Uab=6V, Ubc=0, Ucd=0, 则 该电路的故障可能是 ( )
A、开关S接触不良;
B、灯L1断路;
C、灯L2短路;
D、灯L2的灯丝断了。

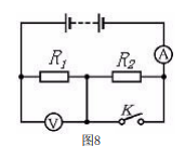
8、如图8所示的电路,开关S闭合时,发现L1、L2都不亮,用电压表逐段测量,结果是Uab=0, Ubc=6V, 则该电路的故障可 能是 ( )
A、开关S接触不良;
B、灯L1断路;
C、灯L2短路;
D、灯L2的灯丝断了。

9、如图9所示的电路中,若开关S闭合后,灯L1、L2均不亮。某同学用一根导线去查找电路故障,当他用导线连接L1两端 时,两灯仍不亮;用导线连接L2两端时,L1亮、L2不亮。由此可以断定 ( B )
A、灯L1断路;
B、灯L2断路;
C、灯L1短路;
D、灯L2短路。

10、在图10所示的电路中,电源电压不变。闭合开关S,电路正常工作,一段时间后,发现其中一个电压表示数变大, 则 ( )
A、灯L1可能变亮;
B、灯L1亮度可能不变;
C、灯L2可能断路;
D、灯L2可能短路。

解析:只可能是L1短路或者L2断路,这两种情况V2都变大,L1均不亮,V1示数不变
11、在如图11所示的电路中,当闭合开关S后,发现灯都不亮,电流表的指针几乎指在“0”刻度线不动,电压表指针有 明显偏转,该电路中的故障可能是 ( )
A、电流表坏了;
B、灯泡L1的灯丝断了;
C、两个灯泡都断路;
D、灯泡L2的灯丝断了。

12、在如图12所示的电路中,电源电压不变,闭合开关S后,灯L1、L2都发光。一段时间后,其中一灯突然熄灭,而电 流表、电压表的示数都不变,则产生这一现象的原因可能是 ( )
A、灯L1短路;
B、灯L2短路;
C、灯L1断路;
D、灯L2断路。

13、把电池组、开关、灯泡L1和L2及若干导线组成串联电路,并用电压表测灯L1两端的电压,当开关闭合时发现电压表 读数为零,则可能出现的故障是(多选) ( )
A、L1的灯丝断了;
B、L2的灯丝断了;
C、L1发生了短路;
D、L2发生了短路。
14、如图13所示,当闭合开关S时,电灯L1和L2都不亮,电流表示数为零,电压表示数为电源的电压,则下列分析中错 误的是 ( )
A、电流表断路,电灯L1和L2完好;
B、L1灯丝断路,电流表和L2完好;
C、L2灯丝断路,电流表和L1完好;
D、L1、L2灯丝都断路,而电流表完好。

15、某同学做实验时,如下图连接电路,闭合开关后,灯泡正常发光,但安培表指针不动,伏特表有读数,那么有可能 是( )
A.安培表已被烧坏,致使电路不通
B.安培表完好,但未与导线接牢
C.灯L的灯座接线处短路
D.安培表被短路

参考答案:1、D 2、A 3、A 4、C 5、A 6、D 7、A 8、D 9、B 10、C 11、D 12、D 13、B C 14、A 15、D
二、初中物理变化类电路分析 1 开关断开闭合类问题 分析思路:首先要看清是闭合与断开比较还是断开与闭合比较,将这两种情况进行比较即可,一般通过电阻的变化来判 断电压表和电流表的变化。 解题步骤:串联电路中,电流的变化看电阻,电阻若变,电流就变,电阻变大,电流变小;电阻变小,电流变大。电压 要看其测谁的电压,根据分电压小于总电压或分 压作用进行判断。

闭合后:闭合与断开进行比较,闭合后电阻减小,电流增大,断开时电压表测的是分电压小于总电压,闭合后电压表测%20的是总电压,所以电压表变大。
并联电路中,一电阻的变化不会影响另一电阻的电压和电流,但会引起总电流的变化。
闭合后:下面电阻的电压没有受影响还是电源电压,电阻也没有变%20化,所%20以A2不变;上面电阻由无到有,所以它的电流是变大的,A2等于支%20路电流之%20和,所以增大;电压表测电源电压始终不变。
2%20滑动变阻器变化类电路分析%20分析思路:首先看清电路图,电路是串联还是并联,电压表是测滑%20动变阻器%20的电压还是定值电阻的,电流测总的还是分的,依据情况判定。%20A%20、串联电路里,滑动变阻器接入电路里的阻值变大其两端电压也变大,而和它串联的电阻两端的电压变小(电源总电%20压不变),总电流变小。
滑片向右滑动时,滑动变阻器接入电路的阻值变大,其两端的电压也变大,所以电压表示数增大,总电阻变大,电源电%20压不变,所以总电流减小。
B%20、并联电路里,滑动变阻器的变化不会影响另一并联电阻两端电压和通过它电流的变化,但会影响总电流的变化。%20当滑片向右移动时,滑动变阻器接入电路的阻值变大,通过它的电流变小,而上面那个电阻的电压没发生改变,所以A2%20也不会发生变化,总电流等于支路电流之和,所以A1减小,电压表测总电源电压,所以V不变。%20C%20混联电路里,把并联部分看成是一个整体,然后分情况讨论。
S闭合,S1断开,当滑动变阻器滑片向右移动时,这种情况是按A类分析,A1、A3变小,A2不变,V1变小V2变大。S闭%20合,S1闭合,当滑动变阻器滑片不动时,把并联那部分看成是一个电阻,闭合后并联部分的电阻变小,所以有V1变%20小,A3变小,A2变大,A1变小,V2变大。
小试牛刀:(后面参考答案
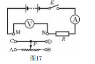
1、图17中,A、B、C、D是滑动变阻器的四个接线柱。若将A、C分别与图中电路的导线 头M、N相连接,闭合开关后,当滑动片P向右移动时,电流表的示数将 变小 填“变大”、“不变”或“变小”);若 将D与N相连接,接线柱______与M相连接,则闭合开关后,滑动片P向左移动时,电压表的示数增大。

2、在如图18所示的电路图中,当开关K闭合时 ( )
A.整个电路发生短路。
B.电流表示数变小。
C.电流表示数不变化。
D.电流表示数变大。

3、在图21所示的电路中,电源电压为6V。当开关K闭合时,只有一只灯泡发光,且电压表V的示数为6V。产生这一现象%20的原因可能是%20(%20)
(A)灯L1短路。
(B)灯L2短路。
(C)灯L1断路。
(D)灯L2断路
4、如图22所示,当滑片P向右移动时 ( A )
(A)电流表A示数不变,电压表V示数不变。
(B)电流表A示数不变,电压表V示数变大。
(C)电流表A示数变小,电压表V示数变大。
(D)电流表A示数变小,电压表V示数不变。

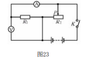
5、如图23所示,闭合开关K,当滑动变阻器的滑片P向右移动时,电流表A的示数将_____(选填“变小”、“不变” 或“变大”)。
6.如图24所示电路中,电源电压保持不变,R为定值电阻,当开关闭合时,标有“6V,3W”的小灯泡L刚好正常发光; 若保持R不变,将L换成另一只标有“6V,2W”的小灯泡,闭合开关后,小灯泡消耗的实际功率为( )
A、大于2W
B、等于2W
C、小于2W
D、无法确定
解析:首先要学会通过额定电压和额定功率求电阻,然后根据分压比较前后电阻的大小,能不能分到相同多的电压,故 此题选(见后方参考答案)
7. 小明按如图甲所示的电路进行实验,当开关闭合后,V1和V2的指针位置完全一样,如图乙所示,造成这一现象的原因是( )
A.可能L1开路
B.可能L2短路
C.可能 V1和V2所选量程不相同,L1短路
D.可能 V1和V2所选量程不相同,电路各处完好

8、如图1,是典型的伏安法测电阻的实验电路图,当滑片P向右%20移动时,%20请你判断A表和V表的变化。
图1
9、如图2,当滑片P向左移动时,A表和V表将如何变化。

图2
10、如图3,当滑片P向左移动时,A表和V表将如何变化

图3
11、在如图4所示电路中,当闭合开关后,滑动变阻器的滑动片P向右移动时( )
(A)电流表示数变大,灯变暗。
(B)电流表示数变小,灯变亮。
(C)电压表示数不变,灯变亮。
(D)电压表示数不变,灯变暗。

12、在如图5所示电路中,当闭合开关后,滑动变阻器的滑动片P向右移动时( )
(A)电压表示数变大,灯变暗。
(B)电压表示数变小,灯变亮。
(C)电流表示数变小,灯变亮。
(D)电流表示数不变,灯变暗。

13、如图6,当滑 片P向右移动时,A1表、A2表和V表将如何变化?

14、如图7,当滑片P向右移动时,A1表、A2表和V表将如何变化?

15、在如图8所示的电路中,将开关K闭合,则电流表的示数将_________,电压表的示数将________(均填“变大”、“ 变小”或“不变”)。

16、在如图9所示的电路中,当开关K断开时,电阻R1与R2是__________联连接的。开关K闭合时,电压表的示数 将_________(选填“变小”、“不变”或“变大”)。

图9
17、在图10中,灯泡L1和灯泡L2是_______联连接的。当开关K断开时,电压表的示数将__________;电流表的示数 将__________(选填“增大”、“不变”或“减小”)。

图10
18、在图11中,灯泡L1和灯泡L2是________联连接的。当开关K断开时,电压表的示数将________;电流表A1的示数 将_________,A2的示数将_________(选填“增大”、“不变”或“减小”)。
参考答案:1 变小 B、 2 D 、3 B 、4A 、5 不变 、6A 、7 D、 8 V减小 A减小 9、V不变 A增大 10、V减小 A不变 、11 D 、12 A、 13 A1不变 A2减小 V不变 、14 A1减小 A2减小 V不变、15 A增大 V增大、16 串联,V变小 、17 并 V不变 A 减小 、18 并 V减小 A1减小 A2不变
拓展演练
1.图28所示的是握力计的原理图,其中弹簧上端和滑动变阻器滑片固定在一起,AB间有可收缩的导线,R0为保护电阻, 电压表可显示压力的大小。则当握力F增加时电压表的示数将()
A.变大
B.变小
C.不变
D.无法确定

2.如图29所示电路,闭合开关后,将滑动变阻器滑片P由a端向b端滑动过程中,图中电压表和电流表的示数变化正确的%20是%20(%20)
A.电压表示数不变,电流表示数变大
B.电压表示数变小,电流表示数变大
C.电压表示数不变,电流表示数变小
D.电压表示数变大,电流表示数变小
3.%20如图30所示,电源电压不变,闭合开关S,当滑动变阻器的滑片P由右向左移动时,三只电表V1、V2、A的示数变化情%20况(%20)
A.V1不变,V2减小,A不变
B.V1减小,V2增大,A减小
C.V1不变,V2增大,A不变
D.V1增大,V2减小,A增大
4。%20图31是汽车、摩托车油量表(实际上就是电流表)原理示意图,R′是定值电%20阻,R%20是滑动变阻器,则%20(%20)
A.向油箱里加油时,电流表示数变大
B.燃油消耗下降时,电流表示数变大
C.燃油全部耗尽时,电流表将被烧坏
D.油箱加油过满时,电流表将被烧坏
5。%20如图32所示电路,电源两端的电压一定,开关s1闭合,s2断开。如果使电压表和电流表的示数均增大,则下列操作%20一定可行的是(%20)
A.滑动变阻器的滑片P%20向右移
B.滑动变阻器的滑片P%20向左移
C.滑动变阻器的滑片P%20不动,闭合开关S2
D.滑动变阻器的滑片P%20不动,断开开关S1
6.%20如图20所示,电阻R1的阻值为20欧,R2为40欧,当电键K断开时,电流表A的示数为0.1安,则电源电压为______伏。%20若电键K闭合时,电流表A的示数为______安。
图20
7. 在图21所示的电路中,电源电压为6伏。当电键K闭合时,只有一只灯泡发光,且电压表V的示数为6伏。产生这一现 象的原因可能是( )
(A)灯L1短路。
(B)灯L2短路。
(C)灯L1断路。
(D)灯L2断路。

版权声明
声明:有的资源均来自网络转载,版权归原作者所有,如有侵犯到您的权益
请联系本站我们将配合处理!
