电路识别与动态电路分析
一.常见电路的识别方法与技巧


在解决电学问题时,我们遇到的第一个问题往往是电路图中各个用电器(电阻)的连接关系问题。不能确定各个电阻之间的连接关系,就无法确定可以利用的规律,更谈不到如何解决问题。因此正确识别电路是解决电学问题的前提。当然首先必须掌握串联电路和并联电路这两种基本的电路连接方式(图1(甲)、(乙)),这是简化、改画电路图的最终结果。
识别电路的常用方法有电流流向法(电流跟踪法)、摘表法(去表法)、直线法和节点法。在识别电路的过程中,往往是几种方法并用
。
1.电流流向法

电流流向法是指用描绘电流流向的方法来分析电阻连接方式的方法。这是一种识别电路最直观的方法,也是连接实物电路时必须遵循的基本思路。具体步骤是:从电源正极出发,沿着电流的方向描绘出电流通过电阻的各条路经,一直达到电源的负极。
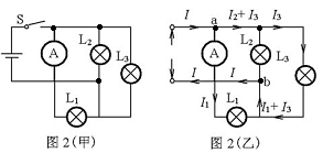
例1:在图2(甲)所示电路中,三盏灯是如何连接的,开关闭合后,电流表测量的是哪部分的电流?
做法:先标出电源的正负极,再沿着从正极到负极的方向,用自己习惯的方法(箭头、粗细线、彩线),描绘各处的电流走向,标在电路图上,如图2(乙)。
分析:从图2(乙)中可以看出,点a是最初的电流分支点,点b是最后的电流会合点。电流共有三条路径,分别通过三盏灯,所以三盏灯是并联的。通过电流表的电流只通过灯L1,所以电流表测量的是通过灯L1的电流。
2.摘表法


摘表法的基本思路和步骤:从电路中摘去电压表和电流表后,电压表所在支路用断路替代,电流表所在位置用导线替代。如果需要进一步对电路进行分析讨论,原电压表、电流表所测量的电压和电流则应在简化后的电路上标出。
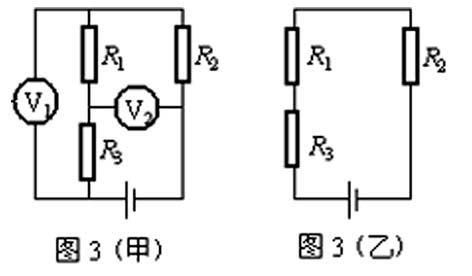
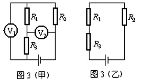
例2:如图3(甲)所示电路中,三个电阻是__联的。电压表V1的示数为3V,V2的示数为5V,电源电压__8V(填“大于”、“小于”或“等于”)。
分析:两个电压表使电路看起来比较复杂,摘掉两个电压表后,把电压表所在支路擦除,电阻的串联方式如图3(乙)所示。两图比较可知,电压表V1测量的是R1和R3两端的电压U1+U3,电压表V2测量的是R1和R2两端的电压U1+U2,两个电压表的示数之和大于电源电压。
3.直线法


直线法是一种普遍适用的简化电路的方法,是在上述两种方法的基础上,把不规范电路简化成规范电路的方法。在识别电路、分析电路变化等方面有不可替代的的作用。具体方法步骤是:将电路从电源正负极处断开,结合电流流向法,拉长和缩短某一段导线,使各组元器件都在一条直线上,一次不成,可逐次分步完成。
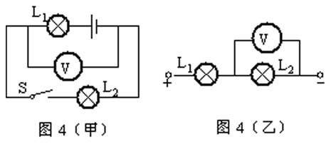
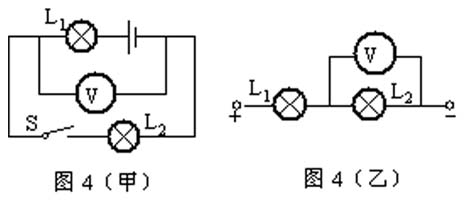
例3:图4(甲)所示电路中,电源电压是6V,开关闭合后电压表的示数为4V,问:灯L1、L2两端电压各为多少?
分析:利用摘表法,可以确定这是两个灯泡的串联电路。问题是电压表测量的电压是哪个灯两端的电压。将电路拉成直线,图4(乙)所示,这个问题就迎刃而解了。
4.节点法
节点法是一种将不规范电路快速简化、改化为规范电路的方法。具体做法是:从电源正极开始,把电阻之间的连接导线缩减成点,相同的点用同一个字母表示。如果一个电路中的点多于两个,可以将这些点排在一条直线上,再把相应的电阻补充到这些点之间,节点法和直线法有着相辅相成的关系。大多数时间比直线法来得更直接、更简洁。
例4:图5(甲)所示电路中,三个电阻是__联的;电流表A1测量的是通过电阻___的电流。电流表A2测量的是___的电流。


分析:将图5(甲)中的电流表摘掉后,电路中三个电阻的连接方式仍然不明显。从电源正极开始,可以标出三个位置都是a点(电源正极),另外两个位置都是b点(电源负极)。如图5(乙)所示。三个电阻都连接在ab两点之间,通过三个电阻的电流方向都是从a到b,所以这是一个并联电路。再利用电流法,描绘电流走向如图5(丙)所示。可以知道原电流表A1的位置通过的是R2和R3的电流I2+I3;原电流表A2的位置通过的是R1和R2的电流I1+I2。本题中两个电流表的位置跟例2(图3甲)中两个电压表的位置相同,因为用电流表替代了电压表,三个电阻的连接方式也随之发生了变化。
二、动态电路分析与判断
分析动态电路的一般思路是:根据引起电路变化的原因(开关通断、变阻器滑片移动、电路故障),分析判断电路中电阻的变化,根据欧姆定律分析电路中电流的变化(电流表示数变化),再根据欧姆定律变形式U=IR(或串并联电路电压特点)进一步判断电路中部分电路中电压的变化(电压表示数变化)或其它物理量的变化。
1、滑动变阻器滑片P的位置的变化引起电路中电学物理量的变化
(1).串联电路中滑动变阻器滑片P的位置的变化引起的变化

[例1]
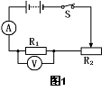
如图1,是典型的伏安法测电阻的实验电路图,当滑片P向左移动时,请你判断电流表和电压表示数的变化。
分析:
P左移→R2减小→R总减小→I增大→表变大。
R1不变→IR1增大→U1增大→表变大。
判断表的变化还可以根据串联电路的电压特点来分析:
R2减小→U2减小→U1增大→表变大。
[例2]
如图2,当滑片P向左移动时,表和表将如何变化。

分析:
首先要确定电路的类型,此电路属于串联电路呢还是并联电路。我们可以将电流表简化成导线,将电压表简化成断开的开关或干脆拿掉。此时可以容易地看出,这是一个串联电路。而且发现滑动变阻器的滑片已经悬空,滑动变阻器变成了定值电阻,电流表测串联电路的电流,所以表示数不变。即:P左移→R1+R2不变→不变
在本电路中,电压表是测量R1和R2部分电阻之和的总电压,当滑片P向左移动时,被跨接在电压表内的电阻随着变小,根据串联电路电压特点:表示数减小。
[例3]
在如图3所示电路中,当闭合开关后,滑动变阻器的滑动片P向右移动时

(A)电流表示数变大,灯变暗。%20(B)电流表示数变小,灯变亮。
(C)电压表示数不变,灯变亮。%20(D)电压表示数不变,灯变暗。

分析:将电流表等效为一根导线,可以看到电压表直接测量电源电压,因此当滑动变阻器的滑动片P向右移动时,电压表的示数将不会变化;而电阻R的阻值变大,小灯的电阻RL大小不变(注意:在初中阶段,小灯泡的电阻由于温度的影响引起的变化往往忽略不计),因此总电阻变大,电流变小,所以电流表示数变小。根据串联电路的电压特点分析,小灯两端的电压也将变小,小灯的功率P=ULI也将变小,所以小灯的发光将变暗。本题正确答案为D。
(2).并联电路中滑动变阻器的滑片P的位置的变化引起的变化
[例4]
如图4,当滑片P向右移动时,表、表和表将如何变化?
分析:测电源两端电压,测R1支路电流,测干路电流。并联电路各支路两端电压相等,等于电源电压,故电压表V示数不变。由于并联电路各支路独立工作,互不干扰,滑动变阻器滑片P向右移动时,对R1这条支路没有影响,所以电流表示数不变。滑片P右移,R2变大,两端电压不变,故电流变小,干路中电流也随之变小,所以示数也会变小。
2、开关的断开或闭合引起电路中电学物理量的变化
(1).串联电路中开关的断开或闭合引起的变化

[例5]
在如图5所示的电路中,将开关S闭合,则电流表的示数将______,电压表的示数将________(均填“变大”、“变小”或“不变”)。
分析:在开关尚未闭合前,电流表测量的是串联电路的电流值,由于此时电阻较大,故电流较小;开关S闭合后,电阻R2被局部短路,电路中的电阻只有R1了,因此电流表的示数将变大。
在开关尚未闭合前,两个电阻组成串联电路。电压表测量R1两端的电压,开关S闭合后,电阻R2被局部短路,只有R1接入电路,电压表变成测量电源两端的电压了,因此电压表的示数将变大。
还可以根据U=IR来分析开关闭合后电压表的示数变化。

(2)并联电路中开关的断开或闭合引起的变化
[例6]
在图6中,灯泡L1和灯泡L2是______联连接的。当开关K断开时,电压表的示数将_____;电流表的示数将_____%20(选填“增大”、“不变”或“减小”)。

分析:本题的难度首先在电路的识别,我们可以将电流表看作导线,将电压表拿去,就容易看出这个电路是“并”联电路。电流表串联在小灯L1的支路中,所以开关闭合时,电灯L1接入电路,电流表的示数从0变到有读数,应该选填“增大”。电压表并联在L2两端,也即测量电源电压,而且不受开关控制,所以电压表示数“不变”。
3、电路的故障引起电路中电学物理量的变化及故障原因分析
[例7]
在图7中,当开关%20K闭合后,两只小灯泡发光,电压表示数为4伏。过了2分钟,电压表示数为0,经检查除小灯泡外其余器材的连接良好,请分析造成这种情况的原因可能有:_____________________。

分析:电压表示数为0,其原因有三:1.电压表没有接好或电压表损坏;2.小灯L2短路;3.小灯L1断路。起先,电压表有示数,说明不存在原因1的情况。那么还有两种情况都是可能的。答案为:小灯L2短路;小灯L1断路。
[例8]
在如图8所示电路中,电源电压不变。闭合开关K后,灯L1、L2都发光。一段时间后,其中一灯突然熄灭,而电流表、电压表的示数都不变,产生这一现象的原因可能是
(A)灯L1短路。%20(B)灯L2短路。
(C)灯L1断路。%20(D)灯L2断路。
分析:这是一个并联电路。可以采用排除法。小灯L2短路,会导致电压表示数变小、电流表示数变大,且导致两灯都不亮;小灯L2断路,会导致电流表示数变0;小灯L1短路,也会导致两灯都不亮;一灯熄灭而电表示数都不变,只有小灯L1发生断路时才有此可能。本题正确答案为C。

[例9]
在图9所示的电路中,电源电压不变。闭合开关K后,灯L1、L2都发光,—段时间后,其中的一盏灯突然变亮,而电压表Vl的示数变小,电压表V2的示数变大,则产生这一现象的原因是
(A)灯L1断路。 (B)灯Ll短路。
(C)灯L2断路。 (D)灯L2短路。
分析:应用“去表法”可以判断此电路是L1、L2组成的串联电路。 “—段时间后,其中的一盏灯突然变亮”排除了电路出现断路的情况,那么,故障现象只有发生短路了。电压表V2的示数变大,是小灯变亮的原因,且它测小灯L2两端电压,所以一定是小灯L2突然变亮;电压表Vl的示数变小说明小灯L1发生了短路。本题正确答案为B。
版权声明
声明:有的资源均来自网络转载,版权归原作者所有,如有侵犯到您的权益
请联系本站我们将配合处理!
