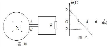
如图甲所示,均匀的金属圆环环面积s=0.5m2,电阻r=0.1Ω,环上开一小口,用不计电阻的导线接一电阻R=0.4Ω。与环同心的圆形区域内有垂直与环平面的匀强磁场,当磁场的磁感应强度B按图乙所示规律变
如图甲所示,均匀的金属圆环环面积s=0.5m2,电阻r=0.1Ω,环上开一小口,用不计电阻的导线接一电阻R=0.4Ω。与环同心的圆形区域内有垂直与环平面的匀强磁场,当磁场的磁感应强度B按图乙所示规律变化时(规定磁场垂直环面向外时B为正),求:

(1)环上感应电动势的大小;
(2)A、B两点的电势差
;
(3)在0~4s内,通过R的电量
.
(1)
(2)
(3)
(1)根据法拉第电磁感应定律,即可求解;(2)根据闭合电路欧姆定律,结合楞次定律,确定电势的高低,从而确定求解;(3)根据电量表达式,即可求解.
(1)由法拉第电磁感应定律
(2)由闭合电路欧姆定律:
A、B两点的电压
由楞次定律,电流为逆时针,则AB两点的电势差为
;
(3)在0~4s内,通过R的电量为
.
版权声明
声明:有的资源均来自网络转载,版权归原作者所有,如有侵犯到您的权益
请联系本站我们将配合处理!
