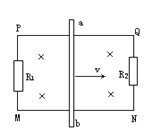
如图所示,PQNM是由粗裸导线连接两个定值电阻组合成的闭合矩形导体框,水平放置,金属棒ab与PQ、MN垂直,并接触良好。整个装置放在竖直向下的匀强磁场中,磁感强度B=0.4T。已知ab长l=0.5m,
如图所示,PQNM是由粗裸导线连接两个定值电阻组合成的闭合矩形导体框,水平放置,金属棒ab与PQ、MN垂直,并接触良好。整个装置放在竖直向下的匀强磁场中,磁感强度B=0.4T。已知ab长l=0.5m,电阻R1=2Ω,R2=4Ω,其余电阻均忽略不计,若使ab以v=5m/s的速度向右匀速运动,作用于ab的外力大小为________N,R1上消耗的电热功率为________W。(不计摩擦)

0.15 0.5
【解析】由右手定则可知ab中电流从b流向a,电源内部电流从负极流向正极,电动势为:E=BLv=0.4×0.5×0.5=1V.


导体棒所受安培力为:F安=BIL=0.4×0.5×
=0.15N
ab向右匀速运动,所以F=F安=0.15N
R1上消耗的电热功率
.
版权声明
声明:有的资源均来自网络转载,版权归原作者所有,如有侵犯到您的权益
请联系本站我们将配合处理!
