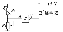
如图所示是温度报警器电路示意图,下列关于对此电路的分析正确的是( )

A.当RT的温度升高时,RT减小,A端电势降低,Y端电势升高,蜂鸣器会发出报警声
B.当RT的温度升高时,RT减小,A端电势升高,Y端电势降低,蜂鸣器会发出报警声
C.当增大R1时,A端电势升高,Y端电势降低,蜂鸣器会发出报警声
D.当增大R1时,A端电势降低,Y端电势升高,蜂鸣器会发出报警声
【答案】BC
【解析】当RT温度升高时,电阻减小,A点电势升高到某一数值,Y端电势突然降低,蜂鸣器导通发出警报,A错误,B正确; 当增大R1时,A端电势升高到某一数值,Y端电势突然降低,电流通过蜂鸣器,发出报警声,C正确,D错误.
故选BC
版权声明
声明:有的资源均来自网络转载,版权归原作者所有,如有侵犯到您的权益
请联系本站我们将配合处理!
下一篇 :返回列表
