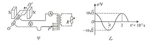
甲图中S、N间的磁场可视为水平方向的匀强磁场,A为理想交流电流表,V为理想交流电压表,矩形线圈绕垂直于磁场方向的水平轴<img alt="1" src="/tk/2
甲图中S、N间的磁场可视为水平方向的匀强磁场,A为理想交流电流表,V为理想交流电压表,矩形线圈绕垂直于磁场方向的水平轴
匀速转动,矩形线圈通过滑环接一理想变压器,滑动触头P上下移动时可改变变压器副线圈的输出电压,副线圈接有可调电阻R,从图示位置开始计时,发电机线圈中产生的交变电动势随时间变化的图像如图乙所示,忽略线圈、电刷与导线的电阻,以下判断正确的是( )

A. 电压表的示数为
B. 0.01s时穿过发电机线圈的磁通量最小
C. 保持R的大小不变,P的位置向上移动,电流表读数减小
D. 保持R的大小及P的位置不变,发电机线圈的转速增大一倍,变压器的输入功率将增大到原来的4倍
【答案】BD
【解析】电压表显示的是交流电的有效值,故示数为
,A错误;0.01s时感应电动势负向最大,此时磁通量变化率最大,磁通量为零,最小,B正确;若P的位置向上移动,匝数比减小,副线圈电压增大,R的大小不变时,电流表读数将增大,故C错误;若P的位置不变、R的大小不变,而把发电机线圈的转速增大一倍,根据
,电压增大为原来的2倍,则变压器的输入功率将增大到原来的4倍,故D正确.
版权声明
声明:有的资源均来自网络转载,版权归原作者所有,如有侵犯到您的权益
请联系本站我们将配合处理!
