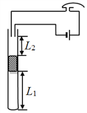
如图是简易报警装置,其原理是:导热性能良好的竖直细管中装有水银,当温度升高时,水银柱上升,使电路导通,蜂鸣器发出报警声。27℃时,空气柱长度L1为20cm,水银柱上表面与导线下端的距离L2为10cm,
如图是简易报警装置,其原理是:导热性能良好的竖直细管中装有水银,当温度升高时,水银柱上升,使电路导通,蜂鸣器发出报警声。27℃时,空气柱长度L1为20cm,水银柱上表面与导线下端的距离L2为10cm,管内水银柱高h为5cm,大气压强p0为75.5cmHg。

(1)当温度达到多少时,报警器会报警?
(2)若要使该装置在102℃时报警,应该再往管内注入多高的水银柱?
【答案】(1) t2=177℃时,报警器会报警 (2) x=7cm
【解析】以细管内密封的空气柱为研究对象,设其横截面积为S。
(ⅰ) 温度升高时,管内气体做等压变化,有:
①
其中
,
,
解得:
,即t2=177℃时,报警器会报警。
(ⅱ) 以cmHg为压强单位,设加入x cm水银柱,在102℃时会报警,有:
②
其中



解得: x=7cm
版权声明
声明:有的资源均来自网络转载,版权归原作者所有,如有侵犯到您的权益
请联系本站我们将配合处理!
