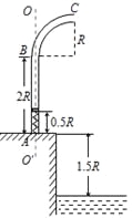
如图为某种鱼饵自动投放器中的投饵管装置示意图,其下半部AB是一长为2R的竖直细管,上半部BC是半径为R的四分之一圆弧弯管,管口沿水平方向,AB管内有一原长为R、下端固定的轻质弹簧.投饵时,每次总将弹簧
如图为某种鱼饵自动投放器中的投饵管装置示意图,其下半部AB是一长为2R的竖直细管,上半部BC是半径为R的四分之一圆弧弯管,管口沿水平方向,AB管内有一原长为R、下端固定的轻质弹簧.投饵时,每次总将弹簧长度压缩到0.5R后锁定,在弹簧上端放置一粒鱼饵,解除锁定,弹簧可将鱼饵弹射出去.设质量为m的鱼饵到达管口C时,对管壁的作用力恰好为零.不计鱼饵在运动过程中的机械能损失,且锁定和解除锁定时,均不改变弹簧的弹性势能.已知重力加速度为g.求:

(1)质量为m的鱼饵到达管口C时的速度大小v1;
(2)弹簧压缩到0.5R时的弹性势能Ep;
(3)已知地面与水面相距1.5R,若使该投饵管绕AB管的中轴线OO′在90°角的范围内来回缓慢转动,每次弹射时只放置一粒鱼饵,鱼饵的质量在
到m之间变化,且均能落到水面.持续投放足够长时间后,鱼饵能够落到水面的最大面积S是多少?
(1)
(2)
(3)
(1)质量为m的鱼饵到达管口C时做圆周运动的向心力,完全由重力提供,则
可以解得: 
(2)从弹簧释放到最高点C的过程中,弹簧的弹性势能全部转化为鱼饵的机械能,由系统的机械能守恒定律有: 
即: 
得: 
故弹簧弹性势能为Ep=3mgR
(3)不考虑因缓慢转动装置对鱼饵速度大小的影响,质量为m的鱼饵离开管口C后做平抛运动,设经过t时间落到水面上,得: 
离OO'的水平距离为x1,鱼饵的质量为m时: 
鱼饵的质量为
时,由动能定理: 
整理得: 
同理: 


鱼饵能够落到水面的最大面积s是: 
版权声明
声明:有的资源均来自网络转载,版权归原作者所有,如有侵犯到您的权益
请联系本站我们将配合处理!
