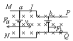
如图,足够长的光滑平行导轨水平放置,电阻不计,MN部分的宽度为2l,PQ部分的宽度为l,金属棒a和b的质量分别为2m和m,其电阻大小分别为2R和R,a和b分别在MN和PQ上,垂直导轨相距足够远,整个装
如图,足够长的光滑平行导轨水平放置,电阻不计,MN部分的宽度为2l,PQ部分的宽度为l,金属棒a和b的质量分别为2m和m,其电阻大小分别为2R和R,a和b分别在MN和PQ上,垂直导轨相距足够远,整个装置处于竖直向下的匀强磁场中,磁感强度为B,开始a棒向右速度为v0,b棒静止,两棒运动时始终保持平行且a总在MN上运动,b总在PQ上运动,求a、b最终的速度。

va=v0/3,vb=2v0/3
【解析】
两棒的受力分析如图所示。A棒在安培力作用下减速,b棒在安培力作用下加速,当加速度减为零时一起做匀速运动。设a、b做匀速运动的速度分别为va、vb

从开始到刚匀速运动的过程知,对a、b分别由动量定理得:

又任意时刻,两棒受安培力均为2倍关系,所以有:
联立解得:va=v0/3,vb=2v0/3
版权声明
声明:有的资源均来自网络转载,版权归原作者所有,如有侵犯到您的权益
请联系本站我们将配合处理!
