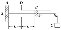
如图所示,两端开口的汽缸水平固定,A、B是两个厚度不计的活塞,面积分别为S1=20cm2,S2=10cm2,它们之间用一根细杆连接,B通过水平细绳绕过光滑的定滑轮与质量为M的重物C连接,静止时汽缸中的
如图所示,两端开口的汽缸水平固定,A、B是两个厚度不计的活塞,面积分别为S1=20cm2,S2=10cm2,它们之间用一根细杆连接,B通过水平细绳绕过光滑的定滑轮与质量为M的重物C连接,静止时汽缸中的空气压强p=1.3×105Pa,温度T=540K,汽缸两部分的气柱长均为L.已知大气压强p0=1×105Pa,取g=10m/s2,缸内空气可看作理想气体,不计一切摩擦.求:
①重物C的质量M是多少;
②逐渐降低汽缸中气体的温度,活塞A将向缓慢右移动,当活塞A刚靠近D处而处于平衡状态时缸内气体的温度是多少.

(1)3kg;(2)360K
【解析】①活塞整体受力处于平衡状态,则有:pS1+p0S2=p0S1+pS2+Mg
解得:M=3kg
②当活塞A靠近处D时,活塞整体受力的平衡方程没变,气体压强不变,根据气体的等压变化有:
解得:T'=360K
版权声明
声明:有的资源均来自网络转载,版权归原作者所有,如有侵犯到您的权益
请联系本站我们将配合处理!
